什么是防水透气膜?带你了解EPTFE材质
#行业资讯 ·2022-10-11 16:30:55
黄际学 深圳市锦龙电子材料有限公司
什么是防水透气膜?带你了解EPTFE材质
在消费电子、汽车电子、户外照明、工业防护等领域,我们常常听到“防水透气膜”这个词。它到底是什么?有什么作用?为什么大多数防水透气膜都采用EPTFE材质?本文将为您一一解答。

一、什么是防水透气膜?
防水透气膜是一种功能性薄膜材料,能够同时实现防水与透气两种看似矛盾的功能:
防水:阻挡液态水、灰尘、盐雾等外界污染物进入设备内部
透气:允许空气、气体或水蒸气通过,平衡设备内外气压
简单来说,它就像一道“智能门”,既不让水进来,又能让空气自由流通。
二、核心材质:EPTFE
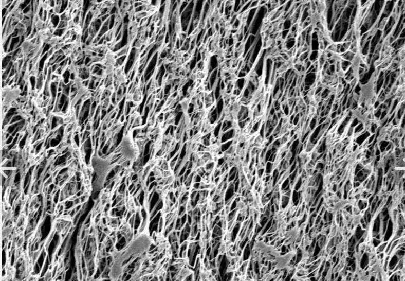
市面上大多数高性能防水透气膜的核心材质是EPTFE(膨体聚四氟乙烯)。
EPTFE是由聚四氟乙烯(PTFE,即特氟龙)经过特殊拉伸工艺制成的微孔薄膜。其典型结构由无数微小的纤维节点构成,形成了约85%的孔隙率,孔径控制在0.1-1.0微米之间。
EPTFE的关键特性:
特性 说明
防水等级 可达IP67、IP68,抵御雨水、泼溅甚至短时浸泡
透气量 高孔隙率确保空气流通顺畅
耐化学性 耐酸碱、耐溶剂,适用于恶劣环境
耐温范围 -40℃至+260℃,适应极端温度
抗老化 不易老化,长期使用性能稳定
三、防水透气的原理
EPTFE膜的微孔尺寸非常关键:
水滴直径约100微米,而EPTFE膜孔径仅0.1-1.0微米 —— 水进不来
水蒸气分子直径约0.0004微米,远小于膜孔 —— 气出得去
正是这种“孔径介于水和水蒸气之间”的精密设计,实现了防水与透气的平衡。
四、主要应用领域
EPTFE防水透气膜广泛应用于:
消费电子:手机、智能手表、TWS耳机、防水音箱
汽车电子:车灯、传感器、ECU控制单元、电池包
户外设备:LED路灯、安防摄像头、户外通讯设备
工业防护:仪表外壳、呼吸器、包装透气口
医疗器件:防护服、透气伤口敷料、过滤器

五、为什么选择EPTFE防水透气膜?
相比传统密封方案(如橡胶垫圈、灌封胶),EPTFE防水透气膜的优势在于:
平衡气压:防止因温差导致的内外压差,避免密封结构变形或损坏
减少凝露:让内部湿气排出,降低结露风险
延长寿命:保护内部电子元件,提升设备可靠性
提升体验:如TWS耳机中实现防水的同时保证通话音质
结语
防水透气膜,尤其是以EPTFE为核心材质的薄膜,已经成为现代电子设备防护方案中不可或缺的一环。深圳市锦龙电子材料有限公司专注于EPTFE膜、防水透气膜及防水透声膜的研发与生产,致力于为各行业提供可靠的防水透气解决方案。
如需了解更多产品信息或获取样品,欢迎联系我们。

锦龙—— 专注膜材,守护声学与电子应用 ——